Skip to content
OUR CHECKOUT SYSTEM IS CURRENTLY DOWN DUE TO AN ISSUE WITH SHOPIFY, TO PLACE AN ORDER PLEASE GIVE US A CALL AT 1-877-531-2873. WE APOLOGIZE FOR THE INCONVENIENCE.
OUR CHECKOUT SYSTEM IS CURRENTLY DOWN DUE TO AN ISSUE WITH SHOPIFY, TO PLACE AN ORDER PLEASE GIVE US A CALL AT 1-877-531-2873. WE APOLOGIZE FOR THE INCONVENIENCE.
Product Manuals

Product Manuals

Free downloads of owner's manuals and illustrated parts lists for lawn and garden equipment. 

Please let us know if we can be of further assistance in providing parts for your unit.  We are still adding parts to our online store so our available products are much larger than you'll find through the website.

  • RY408010VNM Ryobi 40 Volt Snowblower Parts List 108678001 Rev 1

    Free Ryobi Manual
    Original price $0.00 - Original price $0.00
    Original price
    $0.00
    $0.00 - $0.00
    Current price $0.00

    Free download for RY408010VNM Ryobi 40 Volt Snowblower 108678001 Rev 1 Parts List. We carry parts for this snowblower.  If you can't find the parts...

    View full details
    Original price $0.00 - Original price $0.00
    Original price
    $0.00
    $0.00 - $0.00
    Current price $0.00
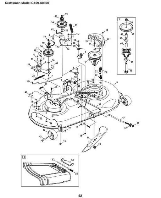
  • C459-60390 Manual for MTD Craftsman 42" Lawn Tractor 13BL78ST599

    Free Craftsman Manual
    Original price $0.00 - Original price $0.00
    Original price
    $0.00
    $0.00 - $0.00
    Current price $0.00

    C459-60390 Manual for MTD Craftsman 42" Lawn Tractor 13BL78ST599 Find the right parts for Canadian Craftsman Lawn Tractors. DR Mower Parts carries ...

    View full details
    Original price $0.00 - Original price $0.00
    Original price
    $0.00
    $0.00 - $0.00
    Current price $0.00
  • 944.101060 Crasftman Lawn Tractor

    Free Craftsman Manual
    Original price $0.00 - Original price $0.00
    Original price
    $0.00
    $0.00 - $0.00
    Current price $0.00

    944.101060 Crasftman Lawn Tractor 22 HP* ELECTRIC START 42" MOWER AUTOMATIC TRANSMISSION LAWN TRACTOR Find the right parts for Canadian Craftsman L...

    View full details
    Original price $0.00 - Original price $0.00
    Original price
    $0.00
    $0.00 - $0.00
    Current price $0.00
  • 944.604370 Manual for Craftsman 24.0 HP 46" Lawn Tractor

    Free Craftsman Manual
    Original price $0.00 - Original price $0.00
    Original price
    $0.00
    $0.00 - $0.00
    Current price $0.00

    944.604370 Manual for Craftsman 24.0 HP 46" Lawn Tractor 24.0 HP Electric Start 46" Automatic Transmission Lawn Tractor Find the right parts for Ca...

    View full details
    Original price $0.00 - Original price $0.00
    Original price
    $0.00
    $0.00 - $0.00
    Current price $0.00
  • 944.607053 Manual for Craftsman 15.5 HP Lawn Tractor 917.259522

    Free Craftsman Manual
    Original price $0.00 - Original price $0.00
    Original price
    $0.00
    $0.00 - $0.00
    Current price $0.00

    944.607053 Manual for Craftsman 15.5 HP Lawn Tractor 917.259522 Find the right parts for Canadian Craftsman Lawn Tractors. DR Mower Parts carries g...

    View full details
    Original price $0.00 - Original price $0.00
    Original price
    $0.00
    $0.00 - $0.00
    Current price $0.00
  • 944.606940 Manual for Craftsman 20.0 HP 42" Lawn Tractor

    Free Craftsman Manual
    Original price $0.00 - Original price $0.00
    Original price
    $0.00
    $0.00 - $0.00
    Current price $0.00

    944.606940 Manual for Craftsman 20.0 HP 42" Lawn Tractor 22.0 HP Electric Start 42" Automatic Transmission Lawn Tractor Find the right parts for Ca...

    View full details
    Original price $0.00 - Original price $0.00
    Original price
    $0.00
    $0.00 - $0.00
    Current price $0.00
  • 944.606040 Manual for Craftsman 22.0 HP 42" Lawn Tractor

    Free Craftsman Manual
    Original price $0.00 - Original price $0.00
    Original price
    $0.00
    $0.00 - $0.00
    Current price $0.00

    944.606040 Manual for Craftsman 22.0 HP 42" Lawn Tractor 22.0 HP Electric Start 42" Automatic Transmission Lawn Tractor Find the right parts for Ca...

    View full details
    Original price $0.00 - Original price $0.00
    Original price
    $0.00
    $0.00 - $0.00
    Current price $0.00
  • 944.603890 Manual for Craftsman 20.0 HP 42" Lawn Tractor

    Free Craftsman Manual
    Original price $0.00 - Original price $0.00
    Original price
    $0.00
    $0.00 - $0.00
    Current price $0.00

    944.603890 Manual for Craftsman 20.0 HP 42" Lawn Tractor 20.0 HP Electric Start 42" Automatic Lawn Tractor Find the right parts for Canadian Crafts...

    View full details
    Original price $0.00 - Original price $0.00
    Original price
    $0.00
    $0.00 - $0.00
    Current price $0.00
  • 944.603800 Manual for Craftsman 21.0 HP 42" Lawn Tractor

    Free Craftsman Manual
    Original price $0.00 - Original price $0.00
    Original price
    $0.00
    $0.00 - $0.00
    Current price $0.00

    944.603800 Manual for Craftsman 21.0 HP 42" Lawn Tractor 21.0 HP Electric Start 42" Automatic Lawn Tractor Find the right parts for Canadian Crafts...

    View full details
    Original price $0.00 - Original price $0.00
    Original price
    $0.00
    $0.00 - $0.00
    Current price $0.00
  • 944.600081 Manual for Craftsman 17.5 HP 42" Lawn Tractor

    Free Craftsman Manual
    Original price $0.00 - Original price $0.00
    Original price
    $0.00
    $0.00 - $0.00
    Current price $0.00

    944.600081 Craftsman 42" Lawn Tractor Owners Manual 17.5 HP Electric Start 42" Mower 6 Speed Trans-Axle Lawn Tractor  Free download. Find the right...

    View full details
    Original price $0.00 - Original price $0.00
    Original price
    $0.00
    $0.00 - $0.00
    Current price $0.00
  • 944.600010 Manual for Craftsman 42" Lawn Tractor

    Free Craftsman Manual
    Original price $0.00 - Original price $0.00
    Original price
    $0.00
    $0.00 - $0.00
    Current price $0.00

    944.600010 Craftsman 42" Lawn Tractor  23 HP* Electric Start, 42" Mower, 6 Speed Trans axle Lawn Tractor  Free download. Find the right parts for C...

    View full details
    Original price $0.00 - Original price $0.00
    Original price
    $0.00
    $0.00 - $0.00
    Current price $0.00
  • K5.68 Parts List for Karcher 1.601-911.0

    Free Karcher Manual
    Original price $0.00 - Original price $0.00
    Original price
    $0.00
    $0.00 - $0.00
    Current price $0.00

    K5.68 Parts List for Karcher 1.601-911.0 5.971-147.0  Free download. Find the right parts for your Karcher pressure washer. DR Mower Parts carries ...

    View full details
    Original price $0.00 - Original price $0.00
    Original price
    $0.00
    $0.00 - $0.00
    Current price $0.00
  • C950-52431-3A Craftsman 30" Snowblower Parts List

    Free Craftsman Manual
    Original price $0.00 - Original price $0.00
    Original price
    $0.00
    $0.00 - $0.00
    Current price $0.00

    C950-52431-3A Craftsman 30" Snowblower Parts List Free download. We carry parts for this snowblower and parts for the engine. If you can't find the...

    View full details
    Original price $0.00 - Original price $0.00
    Original price
    $0.00
    $0.00 - $0.00
    Current price $0.00
  • C950-52106-0 Craftsman 22" Snowblower Parts List

    Free Craftsman Manual
    Original price $0.00 - Original price $0.00
    Original price
    $0.00
    $0.00 - $0.00
    Current price $0.00

    C950-52106-0 Craftsman 22" Snowblower Parts List Free download.  We carry parts for this snowblower and parts for the engine.  If you can't find th...

    View full details
    Original price $0.00 - Original price $0.00
    Original price
    $0.00
    $0.00 - $0.00
    Current price $0.00
  • C950-52922-0 Craftsman 29" Snowblower Parts List

    Free Craftsman Manual
    Original price $0.00 - Original price $0.00
    Original price
    $0.00
    $0.00 - $0.00
    Current price $0.00

    C950-52922-0 Craftsman 29" Snowblower Parts List Free download.  We carry parts for this snowblower and parts for the engine.  If you can't find th...

    View full details
    Original price $0.00 - Original price $0.00
    Original price
    $0.00
    $0.00 - $0.00
    Current price $0.00
  • 944.606070 Manual for Craftsman 23.0 HP 48" Lawn Tractor

    Free Craftsman Manual
    Original price $0.00 - Original price $0.00
    Original price
    $0.00
    $0.00 - $0.00
    Current price $0.00

    944.606070 Manual for Craftsman 48" Lawn Tractor  includes owner's manual and parts lists for the Briggs and Stratton engine 445577-0595-E1 and Hyd...

    View full details
    Original price $0.00 - Original price $0.00
    Original price
    $0.00
    $0.00 - $0.00
    Current price $0.00
  • 944.364330 Manual for Craftsman 21" Rear Discharge Lawn Mower

    Free Craftsman Manual
    Original price $0.00 - Original price $0.00
    Original price
    $0.00
    $0.00 - $0.00
    Current price $0.00

    944.364330 Manual for Craftsman 21" Rear Discharge Lawn Mower includes owners manual, parts list for the lawnmower and for Briggs & Stratton en...

    View full details
    Original price $0.00 - Original price $0.00
    Original price
    $0.00
    $0.00 - $0.00
    Current price $0.00
  • 944.369470 Manual for Craftsman 21" Multi-Cut Lawn Mower with Kohler 173cc Engine

    Free Craftsman Manual
    Original price $0.00 - Original price $0.00
    Original price
    $0.00
    $0.00 - $0.00
    Current price $0.00

    944.369470 Manual for Craftsman 21" Multi-Cut Lawn Mower with Kohler 173cc Engine. Includes owner's manual, parts list for the lawnmower and for th...

    View full details
    Original price $0.00 - Original price $0.00
    Original price
    $0.00
    $0.00 - $0.00
    Current price $0.00
  • 944.367611 Manual for Craftsman Lawn Mower

    Free Craftsman Manual
    Original price $0.00 - Original price $0.00
    Original price
    $0.00
    $0.00 - $0.00
    Current price $0.00

    Manual for 944.367611 Craftsman Lawn Mower We carry parts for this lawn mower and parts for the engine.  If you can't find the parts you need in ou...

    View full details
    Original price $0.00 - Original price $0.00
    Original price
    $0.00
    $0.00 - $0.00
    Current price $0.00
  • 944.362200 Craftsman Multi-cut Lawn Mower

    Free Craftsman Manual
    Original price $0.00 - Original price $0.00
    Original price
    $0.00
    $0.00 - $0.00
    Current price $0.00

    944.362200 Craftsman Multi-cut Lawn Mower 160cc Honda Engine Power-Propelled 22" Multi-Cut We carry parts for this lawn mower and parts for the eng...

    View full details
    Original price $0.00 - Original price $0.00
    Original price
    $0.00
    $0.00 - $0.00
    Current price $0.00
  • 944.607840 Manual for Craftsman 22.0 HP 46" Lawn Tractor

    Free Craftsman Manual
    Original price $0.00 - Original price $0.00
    Original price
    $0.00
    $0.00 - $0.00
    Current price $0.00

    944.607840 Manual for Craftsman 22.0 HP 46" Lawn Tractor 22.0 HP Electric Start 46"Automatic Lawn Tractor Find the right parts for Canadian Craftsm...

    View full details
    Original price $0.00 - Original price $0.00
    Original price
    $0.00
    $0.00 - $0.00
    Current price $0.00
  • 944.607550 Manual for Craftsman 16.5 HP 42" Lawn Tractor

    Free Craftsman Manual
    Original price $0.00 - Original price $0.00
    Original price
    $0.00
    $0.00 - $0.00
    Current price $0.00

    944.607550 Manual for Craftsman 16.5 HP 42" Lawn Tractor 16.5 HP Electric Start 42" Automatic Lawn Tractor Find the right parts for Canadian Crafts...

    View full details
    Original price $0.00 - Original price $0.00
    Original price
    $0.00
    $0.00 - $0.00
    Current price $0.00
  • 944.606051 Manual for Craftsman 15.5 HP Lawn Tractor 917.256510

    Free Craftsman Manual
    Original price $0.00 - Original price $0.00
    Original price
    $0.00
    $0.00 - $0.00
    Current price $0.00

    944.606051 Manual for Craftsman 15.5 HP Lawn Tractor 917.256510 Find the right parts for Canadian Craftsman Lawn Tractors. DR Mower Parts carries g...

    View full details
    Original price $0.00 - Original price $0.00
    Original price
    $0.00
    $0.00 - $0.00
    Current price $0.00
  • 944.605900 Manual for Craftsman 18.5 HP 42" Lawn Tractor

    Free Craftsman Manual
    Original price $0.00 - Original price $0.00
    Original price
    $0.00
    $0.00 - $0.00
    Current price $0.00

    944.605900 Manual for Craftsman 18.5 HP 42" Lawn Tractor 18.5 HP Electric Start 42" Automatic Lawn Tractor Find the right parts for Canadian Crafts...

    View full details
    Original price $0.00 - Original price $0.00
    Original price
    $0.00
    $0.00 - $0.00
    Current price $0.00
×
×

View full product info